Modular Class A Buffer preamplifier

Description

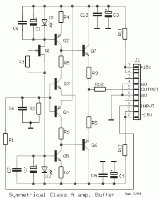
A unit which is often very useful, if we need to isolate, in sound circuits, two stage between them. Then we can use this circuit which has an amplified unit, which gain X1, we do not use total negative feedback, only local, with the result that distortion remains at a very low level. Matching must be done with great care to the types of transistors, resistor between them. There must also be thermal union between the transistors, as well as the diodes LED D1-2 with the transistor Q5 and Q2 respectively.

Circuit diagram

Circuit diagram

Part List

  • R1= 560 ohms
  • R2= 47Kohms
  • R3= 2.2Kohms
  • R4-7= 1Kohms
  • R5-6-10= 100ohms
  • R8-9= 47ohms
  • R11-12= 10ohms
  • C1-2= 100uF 25V
  • C3-4= 47uF 25V
  • C6= 1nF 63V ΜΚΤ
  • C7-8= 100nF 63V ΜΚΤ
  • C9-10= 100nF 63V ΜΚΤ
  • D1-2= LED RED 5mm
  • Q1= BF 245C
  • Q2-4= BC560C
  • Q3-5= BC550C
  • Q6= BC560C
  • Q7= BC550C
  • J1= 10pin Connector

All Resistors is 1/4W 1%