Low-distortion Audio-range Oscillator

Generates very low-distortion sine waves up to 1V RMS

No thermistors required - No settling time

Circuit diagram

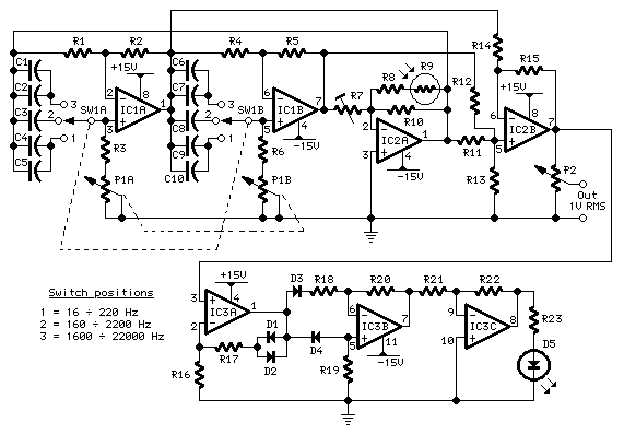
Low-distortion Audio-range Oscillator-Circuit diagram

Parts:

  • P1 10K Log. Potentiometer (Dual-ganged)
  • P2 2K2 Linear Potentiometer
  • R1,R2,R4,R5 3K3 1/4W Resistors
  • R3,R6 820R 1/4W Resistors
  • R7 10K 1/2W Trimmer Cermet
  • R8 22K 1/4W Resistor
  • R9 Photo resistor (any type)
  • R10 8K2 1/4W Resistor
  • R11,R12,R14,R15 3K3 1/4W Resistors
  • R13 2K7 1/4W Resistor
  • R16--R20 3K3 1/4W Resistors
  • R21 56K 1/4W Resistor
  • R22 68K 1/4W Resistor
  • R23 1K 1/4W Resistor
  • C1,C6 220pF 63V Polystyrene Capacitors
  • C2,C7 8n2 63V Polyester Capacitors
  • C3,C8 82nF 63V Polyester Capacitors
  • C4,C9 150nF 63V Polyester Capacitors
  • C5,C10 680nF 63V Polyester Capacitors
  • D1--D4 1N4148 75V 150mA Diodes
  • D5 LED 5mm. Red
  • IC1,IC2 NE5532 Low noise Dual Op-amps
  • IC3 TL084 Quad BIFET Op-Amp
  • SW1 2 poles 3 ways rotary switch

Comments:

Producing low-distortion sine waves, this oscillator operates over the range 16 to 22000 Hz. The circuit is based on two articles that have appeared earlier in Wireless World - Roger Rosens' "Phase -Shifting Oscillator", February 1982 pp. 38-41, and J. L. Linsley Hood's "Wien-Bridge Oscillator with low harmonic distortion" from May 1981 pp. 51-53.

This design features the simplicity of the Rosens' circuit but avoids the use of a thermistor. Instead, oscillator stability is controlled by means of a common photo-resistor driven by a LED, as suggested in the Linsley Hood article.

There is no settling time when the oscillator's frequency is changed and no bouncing of the output waveform. Use of an expensive and sometimes difficult to obtain thermistor is avoided.

Technical data:

  • Output voltage:
  • Sine wave, 1V RMS max.
  • Total harmonic distortion @ 1V RMS output:
  • Frequency Reading
  • 100Hz = 0.0035%
  • 300Hz = 0.0028%
  • 1kHz = 0.002 %
  • 3kHz = 0.002 %
  • 10kHz = 0.001 %

Notes:

  • Any common photo-resistor and 5mm. red LED can be used, provided they are in close contact and enclosed in a light-proof small box. I used the metal screen of a small IF transformer for AM transistor radios sealed with black insulating tape.
  • The 10K trimmer must be set to obtain a 1V RMS output.
  • The circuit must be supplied by a + and - 15V dual regulated supply. Common 7815 and 7915 regulator ICs should be used for this purpose.

This circuit was awarded with publication in ELECTRONICS WORLD "Circuit Ideas", February 2003 issue, page 38.

author: RED Free Circuit Designs
circuit from http://www.redcircuits.com/