Triple Stroboscope

Circuit diagram

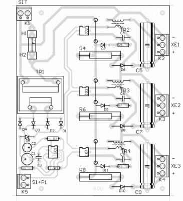
Triple Stroboscope-Circuit diagram

This circuit enables observation of movement between other stroboscopes. Generation of rectangular signal is based on NE555. This circuit requires a low power supply that is made from a simple transformer TR1, traditional rectifier bridge and zener diode. NE555 works in multivibrator mode generating astable pulses of 2Hz to 20Hz. The frequency is adjusted by potentiometer P1. The control potentiometer P1 can be placed as far as 30 meters away, for suspension of stroboscope’s work from far away. It is east to find all parts with facility in every electronic store, but it may be difficult to find the transformers TR2, TR3, TR4. Take extreme care handling this circuit because near C5-C7-C9 high voltages are present.

Triple Stroboscope
Triple Stroboscope

Parts

  • R1 = 6,8 k
  • R2 = 5,6 k
  • R3 = 330
  • R4,R6,R8 = 270 / 5 W
  • R5,R7,R9 = 220 k
  • P1 = 100 k linear potentiometer
  • C1 = 100 uF / 16 V
  • C2 = 4,7 uF / 16 V
  • C3 = 10 nF
  • C4,C6,C8 = 22 nF / 400 V, MKS
  • C5,C7,C9 = 10 uF / 350 V, electrolytic (high quality)
  • TR1 = Ordinary transformer 230 V / 9 V, 1,5 VA
  • TR2,TR3,TR4 = stroboscope transformer np (ZTK200)
  • D1,D2,D3,D4 = 1N4149
  • D5 = BZX85V Zener 3.9
  • D6,D7,D8,D9,D10,D11 = 1N4004
  • IO1 = NE555
  • IO2,IO3,IO4 = MOC3020
  • XE1,XE2,XE3 = stroboscope lamps FT50
  • F1 = Fuse 0.8 A, 20 mm
  • K1,K5 = connectors ARK200-2
  • K2,K3,K4 = connectors ARK200-3
  • S1 = Switch