Time Delay Relay II

Description

When activated by pressing a button, this time delay relay will activate a load after a specified amount of time. This time is adjustable to whatever you want simply by changing the value of a resistor and/or capacitor. The current capacity of the circuit is only limited by what kind of relay you decide to use.

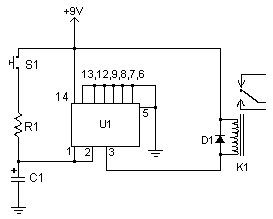
Circuit diagram

Time Delay Relay II-Circuit diagram

Parts:

  • C1 See Notes
  • R1 See Notes
  • D1 1N914 Diode
  • U1 4011 CMOS NAND Gate IC
  • K1 6V Relay
  • S1 Normally Open Push Button Switch
  • MISC Board, Wire, Socket For U1

Notes:

  • Email jawaharlal@excite.com with comments, questions, etc.
  • To calculate the time delay, use the equation R1 * C1 * 0.85=T, where R1 is the value of R1 in Ohms, C1 is the value of C1 in uF, and T is the time delay in seconds.
  • S1 may be replaced with an NPN transistor so the circuit can be triggered by a computer, other circuits, etc.
  • Most any 6V relay will work for K1. If you use a large relay, you my need to add a transistor to the output of the circuit in order to drive the larger load.